-
регион город цена от    до заголовок

Гайка врезная ГОСТ 16561-76

Гайка врезная ГОСТ 16561-76

 

 

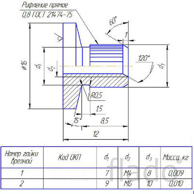
Поставим врезную гайку с прямым рифлением ГОСТ 16561-76 номер 1 и номер 2 диаметрами М4 и М6. Гайка изготавливается из сортовой низколегированной и углеродистой стали обыкновенного качества марки Ст.3 или из углеродистой качественной конструкционной стали марки Ст.10, Ст.20. Данная гайка применяется для деревянных ящиков.

 

Расположение
Таганрог, ул. Лесная Биржа, д.6-К, Москва

 

18 февраля 2026 г. - 17 августа 2026 г. 7061542 78 Строительные и отделочные материалы Продам

Поделись объявлением с друзьями!

Похожие объявления:

300 ₽
Показать телефон
8 9XX XXX-XX-XX
+7 (863) 437-73-80
Написать сообщение
Общение на сайте

Автор: Ирина Уварова

Организация: ООО «РусСпецКрепеж»

Сайт: rskrepeg.ru